Remote Control Fan Regulator Pdf, Remote Controlled Fan Regulator Printed Circuit Board Soldering

Remote Control Fan Regulator Pdf, Remote Controlled Fan Regulator Using Atmega8 Microcontroller Atmega32 Avr

Remote control fan regulator pdf Indeed recently is being hunted by users around us, perhaps one of you personally. Individuals are now accustomed to using the internet in gadgets to view video and image data for inspiration, and according to the title of the article I will discuss about Remote Control Fan Regulator Pdf.

  • U Wamz Cdqgi9m
  • Remote Controlled Fan Regulator Electronics For You
  • Https Www Nxp Com Docs En Application Note An3471 Pdf
  • Http Www Ijesit Com Volume 203 Issue 203 Ijesit201403 33 Pdf
  • Https Www Ee Iitb Ac In Course Wel Wel45 Public Html Edl05a Edl05d10 Pdf
  • Superfan 5 Star Rated Bldc Ceiling Fan With Remote Inverter Technology Buy Ceiling Fans Online

Find, Read, And Discover Remote Control Fan Regulator Pdf, Such Us:

  • How Does A Fan Speed Regulator Work Quora
  • Ir Remote Controlled Home Automation Project Using Pic Microcontroller With Pcb Design
  • Control Of Lights Fan Using Wi Fi And Bluetooth Youtube
  • Automatic Fan Control Techniques Trends In Cooling High Speed Chips
  • Buy Atomberg Renesa Smart Ceiling Fan With Iot Technology

If you are searching for Samsung Remote Viewfinder App For Android you've come to the right location. We ve got 104 graphics about samsung remote viewfinder app for android adding pictures, pictures, photos, wallpapers, and more. In these page, we also have number of graphics available. Such as png, jpg, animated gifs, pic art, logo, black and white, translucent, etc.

Ir Remote Controlled Home Automation Project Using Pic Microcontroller With Pcb Design Samsung Remote Viewfinder App For Android

Control Fan And Light Using Tv Remote Part 1 Youtube Samsung Remote Viewfinder App For Android

Pdf Remote Controlled Fan Regulator With Timer Arnab Sen Academia Edu Samsung Remote Viewfinder App For Android

3 Remote Controlled Fan Regulator Samsung Remote Viewfinder App For Android

How To Control Ac 220v Fan Speed With Arduino S Pwm Output Samsung Remote Viewfinder App For Android

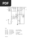
En 0627 Remote Controlled Fan Regulator Wiring Diagram Samsung Remote Viewfinder App For Android

Remote Control Fan Regulator Power Supply Electrical Engineering Samsung Remote Viewfinder App For Android

Pdf Design And Construction Of A Remote Controlled Fan Regulator Samsung Remote Viewfinder App For Android

Control Of Lights Fan Using Wi Fi And Bluetooth Youtube Samsung Remote Viewfinder App For Android

Wireless Remote Control For Lights And Fan Wireless Remote Control Switch For Light Fan Manufacturer From Udaipur Samsung Remote Viewfinder App For Android

More From Samsung Remote Viewfinder App For Android


Incoming Search Terms:

  • 3 Remote Controlled Fan Regulator Roku Remote Control Xfinity,
  • Wireless Remote Control For Lights And Fan Wireless Remote Control Switch For Light Fan Manufacturer From Udaipur Roku Remote Control Xfinity,
  • Automatic Fan Control Techniques Trends In Cooling High Speed Chips Roku Remote Control Xfinity,
  • Pdf Design And Implementation Of Remote Controlled Fan Regulator Lakachew Adane Academia Edu Roku Remote Control Xfinity,
  • Remote Controlled Fan Regulator Using Atmega8 Microcontroller Atmega32 Avr Roku Remote Control Xfinity,
  • Remote Controlled Fan Regulator Electronics For You Roku Remote Control Xfinity,